Product Summary
The DS1230Y-150 is a 262,144-bit, fully static, nonvolatile SRAM organized as 32,768 words by 8 bits. It has a self-contained lithium energy source and control circuitry which constantly monitors VCC for an out-of-tolerance condition. When such a condition occurs, the lithium energy source of the DS1230Y-150 is automatically switched on and write protection is unconditionally enabled to prevent data corruption.
Parametrics
DS1230Y-150 absolute maximum ratings: (1)Voltage on Any Pin Relative to Ground: -0.3V to +6.0V; (2)Operating Temperature Range Commercial: 0℃ to +70℃; (3)Industrial: -40℃ to +85℃; (4)Storage Temperature Range EDIP: -40℃ to +85℃; (5)PowerCap: -55℃ to +125℃; (6)Lead Temperature (soldering, 10s): +260℃.
Features
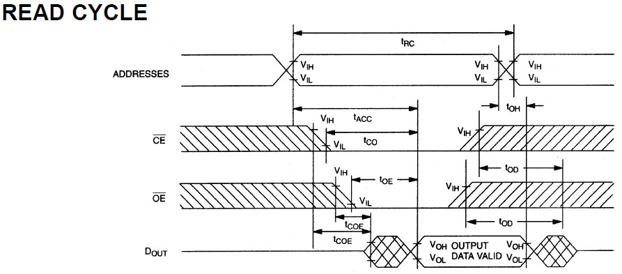
DS1230Y-150 features: (1)10 years minimum data retention in the absence of external power; (2)Data is automatically protected during power loss; (3)Replaces 32k x 8 volatile static RAM, EEPROM or Flash memory; (4)Unlimited write cycles; (5)Low-power CMOS; (6)Read and write access times of 70 ns; (7)Lithium energy source is electrically disconnected to retain freshness until power is applied for the first time.
Diagrams

| Image | Part No | Mfg | Description | ![]() |
Pricing (USD) |
Quantity | ||||||||||
|---|---|---|---|---|---|---|---|---|---|---|---|---|---|---|---|---|
![]() DS1230Y-150 |
![]() Maxim Integrated Products |
![]() NVRAM |
![]() Data Sheet |
![]() Negotiable |
|
|||||||||||
![]() |
![]() DS1230Y-150+ |
![]() Maxim Integrated Products |
![]() NVRAM 256k Nonvolatile SRAM |
![]() Data Sheet |
![]()
|
|
||||||||||
(China (Mainland))









