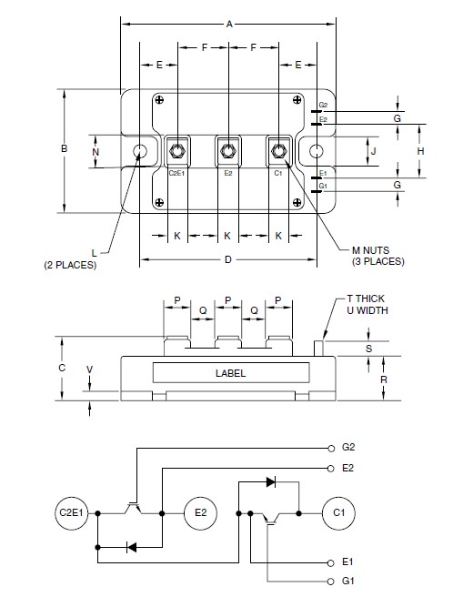
Product Summary
The CM100DY-24A is a A-series module 100 Amperes/1200 Volts dual IGBTMOD. The CM100DY-24A is designed for use in switching applications. It consists of two IGBT Transistors in a half-bridge configuration with each transistor having a reverseconnected super-fast recovery free-wheel diode. All components and interconnects of the CM100DY-24A are isolated from the heat sinking baseplate, offering simplified system assembly and thermal management.
Parametrics
CM100DY-24A absolute maximum ratings: (1)Junction Temperature Tj: –40 to 150 ℃; (2)Storage Temperature Tstg: –40 to 125 ℃; (3)Collector-Emitter Voltage (G-E Short) VCES: 1200 Volts; (4)Gate-Emitter Voltage (C-E Short) VGES: ±20 Volts; (5)Collector Current (DC, TC = 84℃*) IC: 100 Amperes; (6)Peak Collector Current ICM: 200 Amperes; (7)Emitter Current*** (TC = 25℃) IE: 100 Amperes; (8)Peak Emitter Current IEM: 200 Amperes; (9)Maximum Collector Dissipation (TC = 25℃*, Tj ≤ 150℃) PC: 672 Watts; (10)Mounting Torque, M5 Main Terminal: 30 in-lb; (11)Mounting Torque, M6 Mounting: 40 in-lb; (12)Weight: 310 Grams; (13)Isolation Voltage (Main Terminal to Baseplate, AC 1 min.)VISO: 2500 Volts.
Features
CM100DY-24A feature: (1)Low Drive Power; (2)Low VCE(sat); (3)Discrete Super-Fast Recovery Free-Wheel Diode; (4)Isolated Baseplate for Easy Heat Sinking.
Diagrams

| Image | Part No | Mfg | Description | ![]() |
Pricing (USD) |
Quantity | ||||||||||||||||||
|---|---|---|---|---|---|---|---|---|---|---|---|---|---|---|---|---|---|---|---|---|---|---|---|---|
![]() CM100DY-24A |
![]() |
![]() IGBT MOD DUAL 1200V 100A A SER |
![]() Data Sheet |
![]()
|
|
|||||||||||||||||||
| Image | Part No | Mfg | Description | ![]() |
Pricing (USD) |
Quantity | ||||||||||||||||||
![]() |
![]() CM10 |
![]() |
![]() FPE04-6U NO FRONT PANEL |
![]() Data Sheet |
![]()
|
|
||||||||||||||||||
![]() |
![]() CM100 |
![]() AMPROBE |
![]() Environmental Test Equipment CARBON MONOXIDE W/ADJUST CO |
![]() Data Sheet |
![]() Negotiable |
|
||||||||||||||||||
![]() |
![]() CM1000 |
![]() Other |
![]() |
![]() Data Sheet |
![]() Negotiable |
|
||||||||||||||||||
![]() CM1000DU-34NF |
![]() |
![]() IGBT MOD DUAL 1700V 1000A NF SER |
![]() Data Sheet |
![]() Negotiable |
|
|||||||||||||||||||
![]() |
![]() CM1000HA-24H |
![]() |
![]() IGBT MOD SGL 1200V 1000A H SER |
![]() Data Sheet |
![]() Negotiable |
|
||||||||||||||||||
![]() |
![]() CM1000HA-28H |
![]() |
![]() IGBT MOD SGL 1400V 1000A H SER |
![]() Data Sheet |
![]() Negotiable |
|
||||||||||||||||||
(China (Mainland))










